Пишете ни
Продукти
Регулатор на налягането тип GR Airtac
  • Регулатор на налягането тип GR AirtacРегулатор на налягането тип GR Airtac

Регулатор на налягането тип GR Airtac

Можете да бъдете спокойни, че ще закупите регулатор на налягането Airtac тип GR от нашата фабрика и ние ще ви предложим най-доброто следпродажбено обслужване и навременна доставка.

Регулаторът на налягането Airtac тип GR осигурява стабилен и прецизен контрол на налягането за пневматични системи. OLK  GR пневматичен регулатор с издръжлива конструкция и лесна настройка, той осигурява надеждна работа в оборудване за автоматизация, въздушни инструменти, компресори и общи промишлени приложения. Съвместим с филтри, лубрикатори и FRL модули.

Регулатор на налягане Airtac тип GR Характеристики на продукта:

·Вграденият квадратен манометър спестява място за монтаж (външен кръгъл манометър е опция).

·Заключващият дизайн предотвратява случайно регулиране на налягането, причинено от външна сила.

· Балансираната структура за регулиране на налягането осигурява стабилно налягане, малки колебания и добра производителност.

·Може да се инсталира на панел или с допълнителна монтажна скоба.

·Освен стандартния модел се предлага и тип с ниско налягане (максимално регулируемо налягане: 0,4 MPa)


GR регулатор на налягането Символ:

Код за поръчка

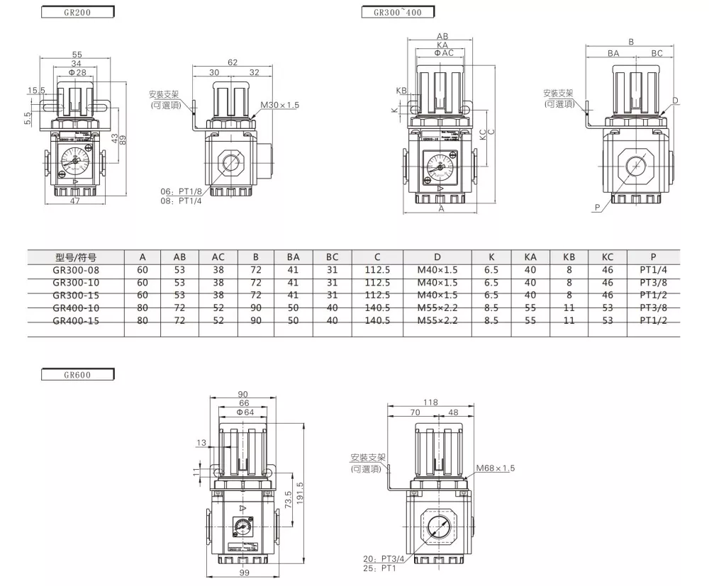
GR200

--

08

100 ΣΕΙΡΑ:06:G1/8

 

Размер на порта:

Регулатор на налягането серия GR200

 

06:PT:1/8

Регулатор на налягането серия GR300

 

08:PT1/4

GR означава въздушен регулатор от серия GR.

 

10:PT3/8

Регулатор на налягането серия GR600

 

15:PT1/2

 

 

20:PT3/4

 

 

25:PT1


Модел

GR200-06

GR200-08

GR300-08

GR300-10

GR300-15

GR400-10

GR400-15

GR600-20

GR600-25

Работна среда

ВЪЗДУХ

Размер на порта

PT1/8

PT1/4

PT1/4

PT3/8

PT1/2

PT3/8

PT1/2

PT3/4

PT1

Диапазон на работно налягане

0,05-0,9Mpa (20-130psi)

Диапазон на работното налягане

1.5Mpa (215psi)

ТЕМ.

-20--70 ℃

Тегло

160гр

350гр

720гр

1700гр


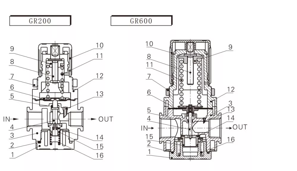
Как да настроите регулатора на налягането Airtac тип GR

Забележка: Моля, обърнете внимание на стрелката, показваща посоката на въздушния поток, когато свързвате. Обърнатата входна връзка може да причини изтичане на въздух.


Стъпка 1: Хванете копчето и го дръпнете нагоре.

Стъпка 2: Завъртете го по посока на часовниковата стрелка, за да увеличите налягането.

Стъпка 3: Натиснете копчето надолу, за да заключите след настройката.


Забележка: Моля, обърнете внимание на стрелката, показваща посоката на въздушния поток, когато свързвате. Обърнатата входна връзка може да причини изтичане на въздух.




ЧЗВ:

Какво означава GR?

GR означава въздушен регулатор от серия GR.


Какво означава GFC?

GFC=GFR+GL  (филтър регулатор + лубрикатор)


Какво означава GC?

GC=GF+GR+GL (филтър + пневматичен регулатор + лубрикатор)



Горещи маркери: Регулатор на налягане Airtac тип GR, Китай, производител, доставчик, фабрика
Изпратете запитване
Информация за контакт
  • Адрес

    Zhengtai Road, индустриална зона Xinguang, Liushi, Yueqing, Wenzhou, Zhejiang, Китай.

  • Електронна поща

    cici@olkptc.com

Добре дошли в нашия сайт! За запитвания относно нашите продукти или ценова листа, моля, оставете имейла си до нас и ние ще се свържем в рамките на 24 часа.
Електронна поща
cici@olkptc.com
Тел
86-0577 57178620
Подвижен
+86-13736765213
Адрес
Zhengtai Road, индустриална зона Xinguang, Liushi, Yueqing, Wenzhou, Zhejiang, Китай.
X
Ние използваме бисквитки, за да ви предложим по-добро сърфиране, да анализираме трафика на сайта и да персонализираме съдържанието. Използвайки този сайт, вие се съгласявате с използването на бисквитки от наша страна. Политика за поверителност
Отхвърляне Приеми