Пишете ни
Продукти
2V025 Колектор на електромагнитен клапан
  • 2V025 Колектор на електромагнитен клапан2V025 Колектор на електромагнитен клапан
  • 2V025 Колектор на електромагнитен клапан2V025 Колектор на електромагнитен клапан

2V025 Колектор на електромагнитен клапан

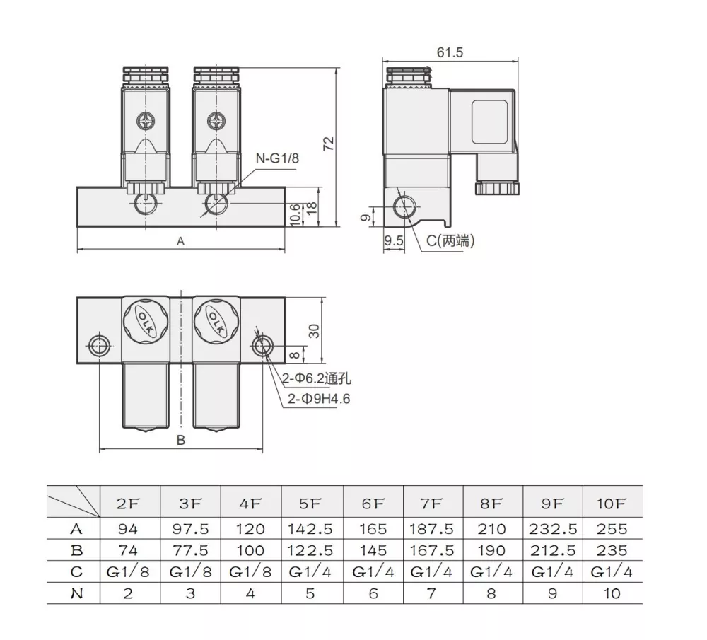
2V025 двупозиционен, двупосочен нормално затворен електромагнитен вентил с директно действие може да бъде свързан, за да образува основа на клапана според изискванията на приложението, с гъвкаво разширение от 2 до 12 позиции. Този колектор с електромагнитен клапан 2V025 с множество станции се характеризира с компактен и лек дизайн, но не може да се разглобява за индивидуална употреба. Тялото на вентила е изработено от висококачествена алуминиева сплав и използва NBR уплътнителен материал.

В зависимост от посоките на всмукване и изпускане колекторът на електромагнитен клапан 2V025 може да бъде разделен на типове положително налягане с един вход и множество изходи и типове отрицателно налягане с множество входове и един изход. Във вакуумните помпи може да се прилага отрицателно налягане. Тъй като положителното и отрицателното налягане работят в противоположни посоки, моля, консултирайте се с търговския екип на OLK, преди да направите поръчка

2V025 Общи данни за колектора на електромагнитен клапан:

Действие

директна актьорска игра

брой позиции

2-позиционен 2-посочен

Първоначално състояние

НЕ, NC

смазващ

ненужни

Диапазон на работното налягане MPa(psi)

0~0.8Mpa (0~114psi)

Гарантирана устойчивост на натиск

1,5MPa (215psi)

Стандартно напрежение

AC220V, AC110V, AC24V, DC24V, DC12V

Използвайте диапазон на напрежението

AC:±15% DC:±10%

консумация на енергия

AC: 6VADC: 6W

ниво на защита

IP65 (DIN40050)

степен на топлоустойчивост

клас Б

Тип връзка

Тип гнездо DIN, тип изход

Време на възбуждане

0,05 секунди или по-малко

Тяло на клапана

Алуминиева сплав

ЧЗВ:

Каква е разликата между 2V025-06 и 2V025-08?

Разликата между 2V025-06 и 2V025-08 е диаметърът на порта. 06 = G1/8 и 08 = G1/4


Може ли 2V025 да се комбинира заедно, за да образува колекторен вентил?

До 10 бр. 2V025 електромагнитен вентил могат да образуват колекторен клапан.


За какви сценарии е подходящ 2-пътният вентил 2V025?

Двупосочен двупосочен вентил 2V025 е подходящ за работни сценарии с продухване, но не е подходящ за пневматични цилиндри, тъй като няма изпускателен порт.


Може ли електромагнитен клапан 2V025 да се използва в среда с отрицателно налягане?

Разбира се, електромагнитният клапан 2V025 с множество входове за въздух и един изход е подходящ за използване с вакуумната помпа.


Нормално отворен ли е 2-пътният клапан за управление на течността 2V025?

ДА,2V025-06-НЕ: Вход: G1/8, Изход: M5

2V025-08-NO: Вход: G1/4, Изход: M5

2-посочен 2V025 колектор на електромагнитен клапан  Съвпадащи аксесоари за съединения


Горещи маркери: 2V025 Колектор на електромагнитен клапан, Китай, производител, доставчик, фабрика
Изпратете запитване
Информация за контакт
  • Адрес

    Zhengtai Road, индустриална зона Xinguang, Liushi, Yueqing, Wenzhou, Zhejiang, Китай.

  • Електронна поща

    cici@olkptc.com

Добре дошли в нашия сайт! За запитвания относно нашите продукти или ценова листа, моля, оставете имейла си до нас и ние ще се свържем в рамките на 24 часа.
Електронна поща
cici@olkptc.com
Тел
86-0577 57178620
Подвижен
+86-13736765213
Адрес
Zhengtai Road, индустриална зона Xinguang, Liushi, Yueqing, Wenzhou, Zhejiang, Китай.
X
Ние използваме бисквитки, за да ви предложим по-добро сърфиране, да анализираме трафика на сайта и да персонализираме съдържанието. Използвайки този сайт, вие се съгласявате с използването на бисквитки от наша страна. Политика за поверителност
Отхвърляне Приеми