Пишете ни
Продукти
Tac пневматичен превключващ клапан
  • Tac пневматичен превключващ клапанTac пневматичен превключващ клапан

Tac пневматичен превключващ клапан

Като професионално производство, OLK би искал да ви предостави пневматичен клапан за превключване. И OLK ще ви предложи най-добрата услуга след продажба и навременна доставка.

Пневматичният превключващ клапан (известен също като превключващ клапан) е компонент за прецизно превключване, специално проектиран за пневматични системи и контрол на течността. Със своята уникална структура на контрола на Toggle Type, тя постига бързо превключване и прецизно управление на пътищата на течността.

TAC серията превключваща клапа има 2 позиция 2 начин, 2 позиция 3 начин и 2 позиция 5 начин могат да бъдат избрани. Различни типове лост и резба от два типа: M5, G1/8.

Сценарии на кандидатстване

Оборудване за индустриална автоматизация, механична обработка, преработка на строителни материали, енергия и добив, индустрия за храни и напитки, медицинско оборудване и др.

Характеристики на продукта

Той е с малък размер, изисква малко инсталационно пространство и е интуитивно да работи ръчно, което го прави подходящ за сценарии, които изискват често превключване.

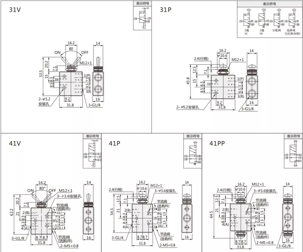
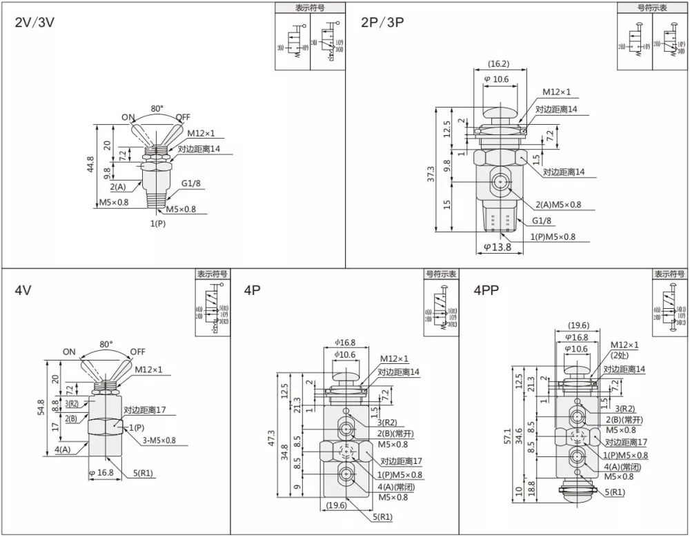
Символ и контур на клапана Tac Toggle

Код за одиране

TAC

2

__

2

P

 

 

 

 

 

TAC серия превключва клапан

 

 

2: 2position 2 начин (M5)

P: Тип бутон Push-Pull

 

 

 

3: 2 Позиция 3 начин (M5)

V: Тип лост на ръцете

 

 

 

4: 2 Powition 5 Way (M5)

PP: Двоен бутон Push-Pull

 

 

 

31: 2 Позиция 3 начин (G1/8)

 

 

 

 

41: 2 Powition 5 Way (G1/8)

 

 

Модел

Размер на порта

 

Номер
на позиция

Ефективно  
площ на напречно сечение

Обхват на налягането

Работна течност

Атмосфера
Температура

 

TAC-2V

Вход = изход = m5   

2 позиция 2 начин

1.9mm²

0,05 ~ 0,9ppa

Въздух

0 ~ 60

TAC-2P

Вход = изход = m5   

2 позиция 2 начин

1.9mm²

TAC-3V

Вход = изход = m5   

2 позиция 3 начин

1.9mm²

TAC-3P

Вход = изход = m5   

2 позиция 3 начин

1.9mm²

TAC-4V

Вход = изход = m5   

2 позиция 5 начин

1.9mm²

TAC-4P

Вход = изход = m5   

2 позиция 5 начин

1.9mm²

4pp

G1/8

 

2 позиция 5 начин

4,5 мм²

TAC2-31V

Вход = изход = отработено устройство = G1/8   

2 позиция 3 начин

4,5 мм²

TAC2-31P

Вход = изход = отработено устройство = G1/8   

2 позиция 3 начин

4,5 мм²

TAC2-41V

Вход = изход = G1/8 Изпускател = M5

2 позиция 5 начин

4,5 мм²

TAC2-41P

Вход = изход = G1/8 Изпускател = M5

2 позиция 5 начин

4,5 мм²

TAC2-41pp

Вход = изход = G1/8 Изпускател = M5

2 позиция 5 начин

4,5 мм²

Често задавани въпроси:

Каква е разликата между превключващия клапан и механичния клапан?

Може да се разграничи превключващия клапан и механичния клапан по контрол на контрола: Включващият клапан е типът на задържане на лоста, механичният клапан е тип бутон на бутона или тип ролка

 

Каква е разликата между превключващия клапан и други клапани?

Прецизно управление: Превключвателните клапани постигат регулиране на финия поток през конусовидна ядро ​​на клапана, което е подходящо за прецизно управление в тръбопроводите с малък диаметър, докато клапаните на топката са по-подходящи за бързи операции за отваряне и затваряне.

Горещи маркери: Tac пневматичен превключващ клапан, Китай, производител, доставчик, фабрика
Изпратете запитване
Информация за контакт
  • Адрес

    Zhengtai Road, индустриална зона Xinguang, Liushi, Yueqing, Wenzhou, Zhejiang, Китай.

  • Електронна поща

    cici@olkptc.com

Добре дошли в нашия сайт! За запитвания относно нашите продукти или ценова листа, моля, оставете имейла си до нас и ние ще се свържем в рамките на 24 часа.
Електронна поща
cici@olkptc.com
Тел
86-0577 57178620
Подвижен
+86-13736765213
Адрес
Zhengtai Road, индустриална зона Xinguang, Liushi, Yueqing, Wenzhou, Zhejiang, Китай.
X
Ние използваме бисквитки, за да ви предложим по-добро сърфиране, да анализираме трафика на сайта и да персонализираме съдържанието. Използвайки този сайт, вие се съгласявате с използването на бисквитки от наша страна. Политика за поверителност
Отхвърляне Приеми