Пишете ни
Продукти
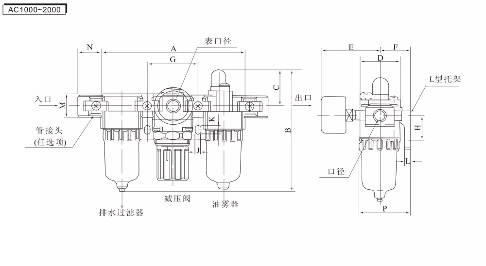
SMC тип AC FRL модул
  • SMC тип AC FRL модулSMC тип AC FRL модул
  • SMC тип AC FRL модулSMC тип AC FRL модул
  • SMC тип AC FRL модулSMC тип AC FRL модул

SMC тип AC FRL модул

Model:AC2000-02
Модулът SMC тип AC FRL (филтър-регулатор-лубрикатор) е пневматичен основен компонент, който интегрира филтриране на източника на въздух, намаляване и регулиране на налягането и обработка на смазване. Осигурява чист, стабилен и смазан сгъстен въздух за пневматични системи, като по този начин удължава живота на пневматичните компоненти и подобрява стабилността на системата. OLK AC Series FRL Unit действа като основен "пазител" на съвременните пневматични системи.
  • Brand:

    OLK
  • Type:

    SMC TYPE AC SERIES
  • Port size:

    PT1/8 ; PT1/4 ; PT3/8 ; PT1/2 ; PT3/4 ; PT1
  • Filter Material:

    Copper filter

SMC Тип AC FRL Характеристики и дизайн:

Самозаключваща се настройка: Разполага със самозаключващ се механизъм при натиск. След като желаното налягане е зададено, просто натиснете копчето надолу, за да го заключите. Това предотвратява промяната на зададеното налягане поради външни вибрации или случаен контакт.

Гъвкаво източване: Предлага се както в опциите за ръчно източване, така и при автоматично източване, за да отговаря на различни работни условия. Прозрачната купа позволява лесно наблюдение на нивото на водата.

Високопрецизен манометър: Снабден с високопрецизен манометър за ясни, точни показания и наблюдение в реално време на системното налягане.

Бележка за единица тип AC FRL SMC:

Проверете посоката на въздушния поток: Моля, проверете посоката на въздушния поток преди монтаж! Има маркировки за посока на потока (стрелки или IN/OUT) в горната част на тялото на вентила. Спазвайте стриктно тези показатели за монтаж. Инсталирането в обратен ред ще причини неизправност или теч.

Редовна поддръжка: Проверявайте редовно нивото на водата в купата и я източвайте, ако използвате тип ръчно източване. Допълнете смазочното масло, когато е ниско (препоръчва се турбинно масло ISO VG32).

SMC Тип AC FRL Символ на единица:

Код за поръчка

AC

2000

-

02

-

D

Код на серията

Размер на черупката

 

Размер на порта:

 

Метод на източване

AC:SMC тип AC FRL единица

1000

 

M5:M5

 

Празно: Ръчно източване

 

2000

 

02:1/4

 

A: Източване на диференциално налягане

 

3000

 

03:3/8

 

D: Автоматично източване

 

4000

 

04:1/2

 

 

 

5000

 

06:3/4

 

 

 

 

 

10:1

 

 

 

Доказателство за налягане

1,5 Mpa (15,3 kgf/cm³)

Макс. Работно налягане

1.0Mpa (10.2kgf/cm³)

Околна среда и температура на течността

5-60 ℃

Филтърна бленда

5μm

Масло

ISOVG32

Материали за чаши

PC

Чаша качулка

AC1000-2000 (БЕЗ) AC3000-5000 (С)

Диапазон на регулиране на налягането

AC1000: 0,05-0,7 Mpa (0,51-7,1 kgf/cm³)

AC2000-5000: 0,05-0,085 Mpa (0,51-8,7 kgf/cm³)

Серия дюзи за манометър


2000 серия

3000 серия

4000 серия

5000 серия

AW

1/8

1/4

AC

БР

1/4

-

BFC

-

Стъпки за инсталиране на SMC тип AC FRL модул:

Първо монтирайте фугите с увита PTFE лента и манометъра

2. Следвайте посоката на стрелката: лявата страна е входът за въздух, а дясната страна е изходът за въздух

3. Свържете въздушните тръби към съответните фитинги в двата края

4. Повдигнете гайката за регулиране на налягането нагоре и я завъртете, за да регулирате налягането; завъртането по посока на часовниковата стрелка увеличава въздушния поток, докато завъртането обратно на часовниковата стрелка намалява въздушния поток

5. Регулирайте желаното въздушно налягане, след което натиснете регулиращата гайка надолу, за да заключите въздуха

6. Ако е необходимо гориво, разхлабете винта на олиера

7. Налейте пневматично масло за поддръжка или турбинно масло във входа за масло (уверете се, че пневматичното масло не надвишава линията за ниво на маслото, посочена на чашата)

8. След като напълните пневматичното масло, затегнете гайката с шестостенен ключ

9. Регулирайте подаването на масло чрез въртене: по посока на часовниковата стрелка се увеличава потокът на маслото, обратно на часовниковата стрелка се намалява


Тип дренаж

Принцип на работа

Приложна среда

Предимства

Недостатъци

Ръчно източване

Водата, натрупана в купата на филтъра, се изхвърля чрез ръчно завъртане или натискане на изпускателния клапан на редовни интервали. Дали дренажът е завършен зависи изцяло от ръчната работа.

Опростени системи или приложения с редки изисквания за дренаж.

Проста структура, нисък процент на повреда, не е необходима допълнителна поддръжка.

Разчита на ръчна работа; лесно се забравя източването. Прекомерното натрупване на вода може да повлияе на ефективността на филтриране.

Дренаж за диференциално налягане

Използва разликата в налягането преди и след филтъра. Когато натрупването на кондензат се увеличи и разликата в налягането достигне предварително зададена стойност, дренажът се отваря автоматично. Той се затваря отново, след като разликата в налягането се върне към нормалното. Работи само когато има въздушно налягане и поток.

Среди със стабилно подаване на въздух и прости работни условия, където ръчната работа не е удобна.

Не е необходимо захранване. Автоматичен дренаж, по-надежден от ръчното дрениране.

Изисква стабилно въздушно налягане. Ефективността на дренажа е ограничена по време на дълги спирания или когато няма разлика в налягането.

Автоматично източване

Използва поплавъчен механизъм или таймер. Когато кондензът достигне определено ниво, дренажът се отваря автоматично

Автоматизирани производствени линии и системи с високи изисквания за качество на сгъстен въздух.

Най-навременното и стабилно изпълнение на дренажа.

Сравнително по-висока цена.


AFQ:

Защо се нарича AC FRL?

AF (въздушен филтър) + AR (вентил за регулиране на налягането) + AL (лубрикатор с маслена мъгла) = AC троен модул


Препоръчителен метод на свързване

Въздушен компресор -- Процесор на въздушен източник -- Компонент за управление -- Актуатор


Какво трябва да направя, ако защитното покритие на пластмасовата чаша често се чупи лесно?

Някои клиенти често установяват, че пластмасовите чаши се напукват не поради натиск, а поради материала. Пластмасовите чаши не са устойчиви на определени среди, което прави металните чаши по-добра алтернатива при определени условия


Как да удължим експлоатационния живот на цилиндрите с електромагнитен клапан?

Използването на филтър може да премахне влагата и примесите от въздуха, като ефективно намалява щетите от триене на буталата и уплътнителните пръстени. Може да се използва лубрикатор за добавяне на турбинно масло, което след това се пренася от въздуха за смазване на буталото на цилиндъра и уплътнителните пръстени. Регулаторът на налягането може да регулира налягането на входящия въздух, като допълнително подобрява ефективността на работа


От какъв материал е изработен филтърният елемент за OLK?

OLK използва медни филтърни елементи с точност на филтриране от 25 μm, докато обикновените филтърни елементи от влакна имат точност от само 5 μm. Високопрецизните филтърни елементи могат ефективно да отстранят примесите и влагата от газа, като гарантират, че изходящият въздух е сух и без замърсители


Горещи маркери: SMC тип AC FRL модул, Китай, производител, доставчик, фабрика
Изпратете запитване
Информация за контакт
  • Адрес

    Zhengtai Road, индустриална зона Xinguang, Liushi, Yueqing, Wenzhou, Zhejiang, Китай.

  • Електронна поща

    cici@olkptc.com

Добре дошли в нашия сайт! За запитвания относно нашите продукти или ценова листа, моля, оставете имейла си до нас и ние ще се свържем в рамките на 24 часа.
Електронна поща
cici@olkptc.com
Тел
86-0577 57178620
Подвижен
+86-13736765213
Адрес
Zhengtai Road, индустриална зона Xinguang, Liushi, Yueqing, Wenzhou, Zhejiang, Китай.
X
Ние използваме бисквитки, за да ви предложим по-добро сърфиране, да анализираме трафика на сайта и да персонализираме съдържанието. Използвайки този сайт, вие се съгласявате с използването на бисквитки от наша страна. Политика за поверителност
Отхвърляне Приеми